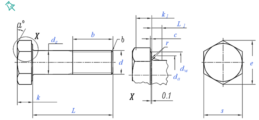
Externe Sechskantschrauben und Schrauben sind grundlegende Befestigungselemente, die für ihr sechsseitiges Kopfdesign anerkannt sind und so konstruiert sind, dass sie ein hohes Drehmomentgetriebe und die mechanische Stabilität über industrielle Anwendungen liefern. Diese Befestigungselemente werden aus Kohlenstoffstahl (Klassen 8.8, 10,9 oder 12,9) oder benutzerdefinierten Legierungen hergestellt und reichen von Miniatur-M1.6-Fäden bis zu schweren M64-Durchmessern, wobei die Längen von 12 mm bis 500 mm überdurchschnittliche Anforderungen übernommen werden. Der externe Sechskantkopf ermöglicht das Engagement von Schraubenschlüssel oder Steckdose und sorgt dafür, dass sich ein sicheres Anziehen in engen Räumen sicherstellt - kritisch zum Montieren von Maschinenrahmen, Stahlverbindungen oder Automobilkomponenten, bei denen der Schwingungswiderstand von größter Bedeutung ist.
Oberflächenbehandlungen wie Heißtip-Gaspfokus-Kampfrost in Umgebungen im Freien (z. B. Brücken, Getriebewerte), während Schwarzoxidbeschichtungen die Lichtreflexion in präzise Optik oder militärische Hardware reduzieren. Spezialisation wie PTFE oder elektrophoretische Farbe verbessern die chemische Resistenz für die Verwendung in chemischen Verarbeitungsanlagen oder Meeresausrüstung. Benutzerdefinierte Farbcodierung (blau, rot) hilft bei Inventarmanagement- oder Sicherheitsprotokollen, unterscheidet Lastbewertungen oder Materialstufen vor Ort. Mit standardisierten Gewindeverträglichkeiten und Zugfestigkeiten erfüllen diese Schrauben die ISO- und ASTM-Spezifikationen und balancieren die Kosteneffizienz mit Leistung für Branchen, die von erneuerbarer Energien bis hin zu schwerer Herstellung reichen. Ihre Anpassungsfähigkeit in Material, Beschichtung und Größe macht sie zu einer universellen Lösung für Ingenieure, die die Haltbarkeit, die einfache Installation und die Einhaltung strenger mechanischer Standards priorisieren.


























